

Электродный котел представляет собой прибор прямого действия. В нем вода нагревается путем прохождения тока через теплоноситель. Нагрев происходит из-за хаотичного движения ионов теплоносителя с частотой 50 колебаний в секунду. Эффективность нагрева зависит от особенностей теплоносителя.
Тепловая энергия производится за счет движения ионов. Она передается теплоносителю. Так электродный котел экономит до 40% электроэнергии по сравнению с другими разновидностями котлов с электропитанием.
Принцип действия
Проводник тока в такой системе — вода, поэтому ее нужно подготовить. В жидкости должно содержаться необходимое количество соли. Для этого соль растворяется в воде и добавляется в систему до необходимого уровня. Пропорции соли в жидкости указаны в паспорте котла.


Поскольку ток проходит прямо через воду, то и подключение такого котла нельзя производить через УЗО, ведь это снизит электробезопасность всей системы. Известно, что прохождение тока через воду образует электролиз, приводящий к возникновению электролизного газа. Он является препятствием для нормальной работы системы, поэтому время от времени нужно спускать воздух из системы.
Если происходит утечка теплоносителя из системы, то замыкание не будет, поскольку нет цепи (жидкости). В ходе включение электродного котла случается большой скачок напряжения, поэтому питание нужно подвести автономно.
В ходе нагрева теплоносителя снижается электрическое сопротивление проводника, поэтому теплоноситель нужно очень тщательно подготовить и проверить уровень соли несколько раз. По причине снижения сопротивления в теплоносителе может произойти электродуговой пробой (это почти замыкание).
Одним из самых известных электродных котлов является отопительный прибор Галан. Познакомиться с отзывами потребителей и разновидностями модели можно здесь: https://teplo.guru/kotly/modeli/kotly-galan.html
Преимущества и недостатки электродных котлов
Минусы:
- необходима большая мощность электричества для подключения;
- высокая стоимость электричества;
- низкий уровень электробезопасности;
- нестабильность электроснабжения.
Но появления всех вышеназванных минусов можно избежать и тогда котел получить немало преимуществ.
Плюсы:
- возможность управлять системой через Интернет;
- автономное отопление;
- компактность системы;
- невысокая цена оборудования;
- возможность подключения горячего водоснабжения;
- легкость монтажа;
- пожаробезопасность;
- не требует отдельного помещения;
- экологическая чистота;
- бесшумность работы.
Чтобы серьёзно сэкономить, можно воспользоваться статьёй о получении электричества из земли и воздуха: http://teplo.guru/elektrichestvo/besplatnoe-elektrichestvo.html
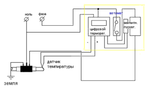
Схемы подключения котла в систему


Изучив тепловую схему отопления, вы сможете создать электродный котел своими руками.
Индукционный котел можно использовать и для нагрева воды для бытовых нужд и для отопления помещений. Существуют различные схемы подключениядля разных случаев использования: Для проточного нагрева воды и для отопления помещения.
В зависимости от различных потребностей есть разные схемы подключения электродных котлов в системы:
- однофазное подключение;
- параллельно с другими приборами обогрева;
- трехфазное подключение;
- подключение блоков автоматического контроля и регулировки.
Технология изготовления индукционного котла представлена здесь: https://teplo.guru/elementy/ustroistva/induktsionnyiy-kotel-otopleniya-svoimi-rukami.html
Создание электродного котла своими руками
Перед началом работ нужно купить необходимые для этого материалы и подготовить нужные инструменты:
- Стальная труба (диаметр 100 мм и длина 4 м);
- Сварочный аппарат;
- Электрод;
- Крепеж.
Основные этапы проведения работ
Существует определенная последовательность при создании электродного котла своими руками:
- Создание схемы работы системы отопления. Может использоваться одноконтурная схема для отопления, или же двухконтурная, которая обеспечит и отоплением и горячей водой;
- Заземление и установка котла для устранения статического электричества;
- Обеспечение циркуляции жидкости путем повышения ее температуры нагрева;
- Использование эффективных материалов радиаторов, которые хорошо взаимодействуют с водой.
Технологический процесс


Сварочным аппаратом привариваем небольшой «стакан» к концу трубы. С обратной стороны встраиваем электрод, он должен достать до дна нашего «стакана». После этого нужно заварить трубу с обеих сторон. Важный момент: 0,7 литра воды нужно залить перед установкой электрода.
Труба крепится с уклоном к стене и делается надежное заземление. Далее подается фаза на электрод, на корпус трубы «0». Следующий шаг — включение стандартного напряжения в 220 В. Мощность самодельного котла регулируется манометром, который нужно подключить через трехходовой кран к схеме.
Подобный котел будет нагреваться до 120 градусов. При этом замкнутость системы исключает образование коррозии внутри трубы, что увеличит срок службы прибора. Здесь, кстати, можно не контролировать состав воды.
Принцип работы самодельного электродного котла
Жидкость, налитая в «стакан», в нашем случае это вода, начинает через время кипеть. Пар, который постепенно образуется, начнет подниматься по трубе и отдавать тепло, превращаясь в воду. Вода же будет стекать вниз по наклоненной трубе и медленно оказываться в «стакане». Потом цикл будет начинаться снова.
Высокий уровень экономичности такого отопления при больших объемах обогрева позволяет делать их небольшого размера, что является еще одним преимуществом.
Если нужно обогреть большой объем помещений, то можно создать несколько электродных котлов в различном порядке для получения нужных характеристик на выходе. Дополнительный плюс в том, что такие котлы можно монтировать и устанавливать без получения на это специального разрешения.
Получение оборудования высокой экономичности в процессе производства тепла — это только одна из целей обогрева помещений в зимнее время года. Другая сторона проблемы — это небольшой расход тепла на получение комфортного микроклимата в помещениях разного типа и назначения. Важно также позаботиться о теплоизоляции дома или квартиры, и о соблюдении энергосберегающих технологий конструкций при строительстве дома в целом.
Видео
Видео работы самодельного электродного котла: