Тепловая схема котельной предназначена для графического изображения основного и вспомогательное оборудование, и взаимосвязи с помощью инженерных сетей. Такие схемы являются обязательными при разработке проектной документации, их выполняют с использованием элементов, утвержденных СНИП.
На схеме отмечают потоки движения теплоносителя по трубам к приборам отопления, котлу, баку и насосу. На линиях указывают расположение регулирующей арматуры и приборов безопасности.


Чем отличаются принципиальные и развернутые тепловые схемы
Тепловые схемы теплоснабжения бывают принципиальные, развернутые и монтажные. На принципиальной схеме котельной указывают только основное теплосиловое оборудование: котлоагрегаты, теплообменные аппараты, деаэрационные установки, фильтры химической очистки воды, питательные, подпиточные и дренажные центробежные насосы, а также инженерные сети, которые объединяют все это оборудование без конкретизации числа и месторасположения. На таком графическом документе обозначают расходы и характеристики теплоносителей.


На развернутой тепловой схеме отражается размещенное оборудование, а также трубы, с помощью которых они соединяются, с уточнением расположения запорно-регулирующей арматуры, приборов безопасности.
В случае, когда нанесение на развернутую теплосхему всех узлов невозможно, то такую ее разъединяют на составляющие части по технологическому принципу. Технологическая схема котельной дает развернутую информацию по установленному оборудованию.


Чем отличаются схемы с закрытой и открытой системой
Основным различием открытой или гравитационной системы отопления от закрытой, считается полное отсутствие устройств для принудительного перемещения теплоносителя по трубам. Этот процесс происходит только за счет температурного расширения нагреваемой жидкости.


Состав элементов в тепловой схеме котельной с открытой схемой теплоснабжения:
- Источник отопления – водогрейный котел, работающий на твердом, жидком и газообразном топливе.
- Расширительный бак, для термокомпенсации теплоносителя.
- Переливная труба термокомпенсатора.
- Подающая (горячая) магистраль со стояками отопления.
- Отопительные приборы.
- Обратная магистраль со стояками отопления.
- Вентиль слива теплоносителя.
- Вентиль подпитки тепловой сети.


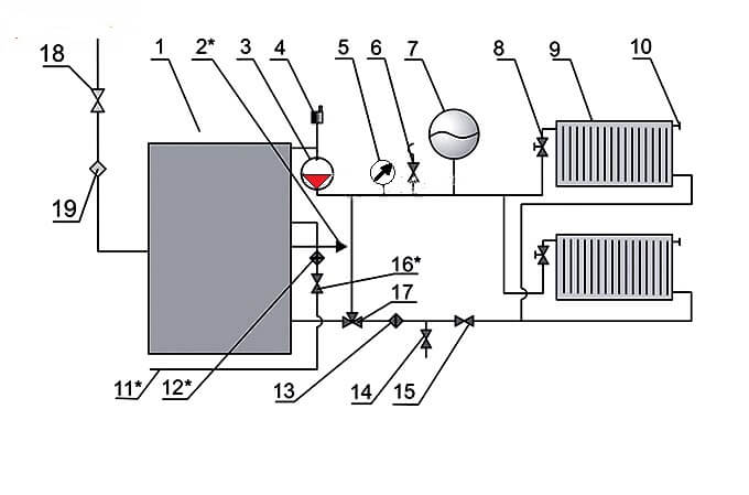
Циркуляция отопления теплоносителя, в закрытой схеме котельной установки, осуществляется благодаря циркуляционному насосу (3), который устанавливается на линии выхода воды из котла (1), как правило, в его верхней части, здесь же размещен воздушник (4). Вода, нагреваясь в котле поступает в подающий трубопровод отопления и направляется к батареям (9) через терморегулирующий кран (8).
На подающей линии устанавливают расширительный бак (7), для температурной компенсации воды при нагреве, предохранительный клапан (6), для сброса аварийного давления в сети и манометр (5) для контроля рабочего давления среды.
На отопительном приборе устанавливаются кран маевского для спуска воздушной пробки (10). По ходу обратного движения теплоносителя установлен трехходовой кран (17), фильтр очистки воды (13), запорный вентиль (15) и дренажный вентиль (14).
Газ к котлу поступает через газовый кран (18) и фильтр (19) для очистки энергоносителя перед форсункой горелочного устройства. Вода для подпитки в схеме водогрейной котельной поступает из водопровода (11) через вентиль (16) на фильтр для очистки от взвешенных веществ и солей жесткости. Котел оборудован линией подачи горячей воды на собственные нужды (2).
Схема котельной при использовании твердого топлива
Твердотопливные котлы имеют определенный недостаток, который вызван высокой инертностью работы, из-за невозможности тонкой регулировки процесса горения твердого топлива.
Для того чтобы сгладить недостаток, в схеме устанавливают буферную емкость, которая набирает температуру для нагрева контура отопления и расходует тепло в течении продолжительного времени.


Такая тепловая схема котельной на твердом топливе состоит:
- Источник теплоснабжения с первичным контуром нагрева: твердотопливный котел;
- группа безопасности с предохранительным клапаном;
- буферная емкость;
- циркуляционный насос контура отопления;
- циркуляционный насос котлового контура;
- расширительный бак;
- запорная арматура, дренажи, воздушники;
- балансировочный вентиль;
- смесительный узел контура отопления, для автоматического поддержания температуры в батареях;
- смесительный узел котлового контура, для оптимального режима работы котла;
- погодозависимая или настраиваемая автоматика с сигнализацией аварийного режима.
План с электрокотлом
Электрический котел — агрегат, нагревающий теплоноситель с помощью преобразования электричества в тепловую энергию. Он применяется в качестве источников теплоснабжения для небольших пригородных домов либо, как аварийный источник с газовым или твердотопливным котлом.
Исходя из модификации таких устройств, используются разнообразные схемы подсоединения электрокотлов к отоплению. Наиболее популярной является многоуровневая система отопления с комбинацией приборов нагрева в виде радиаторов и системы «теплый пол».


Базовые элементы электронагрева частного дома:
- Источник отопления, электрокотел.
- Группа безопасности, с воздушником, предохранительным клапаном и манометром, для сбрасывания излишнего давления в сети.
- Коллектор для направления воды по контурам.
- Радиаторы.
- Теплообменник для ГВС.
- Расширительный бачок, для гидрокомпенсации системы.
- Коллектор для системы «теплый пол».
- Система теплый пол.
- Фильтр очистки теплоносителя от взвешенных веществ.
- Обратный клапан.
- Циркуляционный электронасос.
- Сети электроснабжения.
- Автоматика безопасности с сигнализацией.
Схема с газовым котлом
Газовые котлы являются самыми экономичными и функциональными источниками отопления. В небольшом корпусе, по сути, размещается мини-котельная в частном доме.
Производители современных котлов обустраивают в корпусе все необходимое оборудование в виде насосов, расширительного бака, предохранительно сбросного клапана и воздушника. Собственнику такого оборудования остается только подключить агрегат к контуру отопления и ГВС, что существенно снижает затраты на монтаж.
Но главное преимущество комплексной сборки котла – это согласованность работы всех вспомогательных узлов, которые прошли проверку и наладку в заводских условиях.


Самая простая тепловая схема газовой котельной:
- Источник теплоснабжения – газовый котел.
- Группа безопасности, с воздушником, предохранительным клапаном, манометром и расширительным баком.
- Подача теплоносителя к нагревательным приборам.
- Обратка теплоносителя от нагревательных приборов
- Радиаторы отопления
- Подача водопроводной воды для подпитки тепловой сети с фильтром и запорно-предохранительной арматурой.
- Подача водопроводной воды в контур ГВС котла.
- Фильтр грубой очистки теплоносителя от взвешенных веществ на линии обратки.
- Обратный клапан на линии обратки.
- Циркуляционный насос на линии обратки.
Бойлер в схеме котельной
Существуют разнообразные варианты включения бойлера косвенного нагрева к котлоагрегатам, которые могут работать на любом виде топлива: газ, твердое и жидкое топливо.
В этой схеме с бойлером косвенного нагрева не установлена гидрострелка или распределительный коллектор. Монтаж данных элементов связан с определенными сложностями, так как создает очень сложную гидросистему.


В данной схеме используется 2 насоса циркуляции — на отопление и ГВС. Насос для отопления работает постоянно при работе котельной. Циркуляционный насос ГВС, запускается по электросигналу термостата, установленного в баке.
Термостат определяет падение температуры жидкости в баке и передает сигнал на включение насоса, который начинает циркулировать теплоноситель по контуру нагрева между агрегатом и бойлером, нагревая воду до заданной температуры.
Такая схема используется для всех модификаций источников нагрева, устанавливаемых и в водогрейной, и в паровой котельной.
Допускается определенное видоизменение схемы, когда в ней установлен маломощный котел. Электронасос отопления может отключаться тем же термостатом, который включает насос к бойлеру.
В таком варианте теплообменник греется быстрее, а отопление остановлено. При продолжительном простое, температурный режим в комнате будет падать.
Кроме того после завершения прогрева в бойлере, насос в контуре отопления включается в работу и начинает прокачивать в котел холодный теплоноситель, что вызывает образование конденсата на поверхностях нагрева котла и приводит к преждевременному выходу его из строя.


Процесс конденсатообразования также может проявляться в случае длинных трубопроводов, проложенных к батареям. При большом теплосъеме на приборах отопления, теплоноситель аналогично может сильно остыть, низкая температура обратки станет вредить работе котла.
Для защиты его от конденсата и гидравлического удара, возникающего при соприкосновении холодной воды с горячими поверхностями нагрева, в системе предусматривают защитный контур, оборудованный трехходовым клапаном.
На схеме изображена температура 55С. Интегрированный в схему терморегулятор автоматически выбирает требуемую интенсивность движения потока для поддержания температуры теплоносителя на обратке.
Обвязка с гидрострелкой
В сложных многоуровневых системах теплоснабжения для балансировки потоков жидкости на разнообразных участках схемы с индивидуальными циркуляционными электронасосами зачастую применяют гидромеханический распределитель — гидравлическую стрелку либо коллектор.


Подобная схема котельного агрегата предполагает включение бойлера косвенного нагрева через насос НБ и НР, радиаторное отопление через насос НК1 и НК2, теплый пол — через Н1.
Она имеет возможность работать и без наличия гидравлического модуля, в таком случае предусматривают установку балансировочных вентилей, чтобы компенсировать перепады давления в разнообразных «ветках» системы.


Комплектация тепломеханического оборудования:
- Источник теплоснабжения – 2.
- Группа безопасности, с воздушником, предохранительным клапаном, манометром и расширительным баком.
- Подача теплоносителя к нагревательным приборам.
- Обратка теплоносителя от нагревательных приборов
- Радиаторы отопления.
- Система теплый пол.
- Бойлер косвенного нагрева
- Фильтр грубой очистки котловой воды от взвешенных веществ на линии обратки.
- Обратный клапан на линии обратки.
- Циркуляционные насосы: по магистральному трубопроводу, в контуре теплого пола и бойлера косвенного нагрева.
Схема котельной с 2 котлами
Применение двух газовых агрегатов для одной системы теплоснабжения является достаточно востребованным решением среди владельцев автономного отопления при тепловой мощности системы выше 50 кВт.
Это может быть и большая обогреваемая площадь объекта, и наличие дополнительных тепловых нагрузок в виде горячей воды или установок с воздушным калориферным обогревом.


Применение двух агрегатов на одну тепловую схему обладает рядом преимуществ по сравнению с одним источником равноценной мощности. Прежде всего, потому, что несколько малогабаритных агрегатов меньшего веса, значительно проще и экономичнее разместить в котельной, что особенно актуально при возведении крышных либо полуподвальных топочных.
Кроме этого, установка 2-х агрегатов значительно увеличивает эксплуатационную надежность системы теплоснабжения. При аварийной остановке одного из агрегата, она будет продолжать функционировать с 50% тепловой нагрузкой.
Такая схема обвязки существенно увеличивает рабочий ресурс котлов, из-за того что они меньше нагружены в отопительный период года.
бойлер, Монтаж, обвязка, Обзор