Итальянский бренд Baxi очень популярный на российском рынке климатической техники. Газовые котлы этой марки выпускаются несколькими вариантами установки: настенные и напольные, а также одноконтурными для отопления и двухконтурными дополнительно для ГВС.
Специалисты завода изготовителя, позаботились о том, чтобы процессы монтажа и эксплуатации были максимально простыми и доступными любому пользователю. Поэтому для подключения котла Baxi в работу собственнику не потребуется прикладывать значительные усилия.
Преимущества котлов и оборудования Baxi
Бренд ВАХI принадлежит фирме BDR Thermea — крупному европейскому производителю бытового и промышленного теплоэнергетического оборудования.


Агрегаты комплектуются вспомогательными устройствами одноименного бренда: циркуляционным насосом для модификаций с принудительной движением теплоносителя, дутьевым вентилятором в топках закрытого типа и группой безопасности.
Они обеспечивают выход агрегата на заводские параметры работы и имеют преимущества в компоновке, по сравнению с устройствами, сборка которых осуществляется с комплектацией от разных производителей.
Основные преимущества котлоагрегатов BAXI:
- высокая тепловая эффективность, КПД до 92 %;
- широкий диапазон мощности от 14 до 80 кВт;
- экологическая безопасность;
- относится к энергоэффективному оборудованию;
- широкие возможности настройки тепловых режимов и автоматическое поддержание заданных параметров работы.
Последние модификации выпускаются с мощной системой самодиагностики, защитой от замерзания и антибактериальной защитой.
Интегрированная погодозависимая автоматика обеспечивает в доме санитарные условия проживания, при этом гарантируется низкая себестоимость выработанной тепловой энергии на нужды отопления и ГВС.
Схемы обвязки систем отопления Baxi
Несмотря на то, что производитель позаботился о том, чтобы предоставить пользователю всю необходимую документацию по обвязке котла к системе отопления, для того чтобы сохранить гарантийные обязанности, не рекомендуется выполнять это самостоятельно, нужно пригласить сервисную службу, которую порекомендуют в магазине при покупке агрегата.
Это позволить не только сохранить гарантию на оборудование, но и решить в будущем вопросы с инспекцией горгаза, которые должны будут давать разрешение на эксплуатацию газового оборудования.
Таким образом, задачей пользователя будет подбор нужной схемы обвязки. Она будет зависеть от установленного контура отопления. Согласно существующим схемам теплоснабжения она может быть:
- двухтрубная для домов большой отопительной площади;
- однотрубная с естественной циркуляцией для домов малой нагреваемой площади;
- комбинированная, для многоконтурных систем отопления.
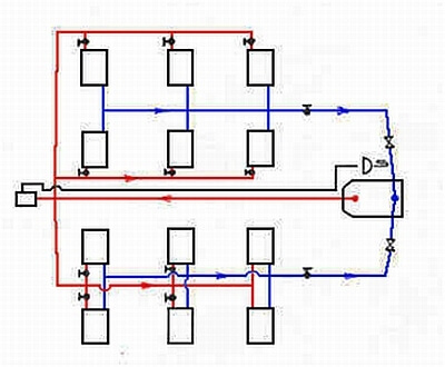
Двухтрубная схема
Двухтрубная схема Бакси выполняется из источника нагрева, циркуляционного насоса, расширительного бака, группы безопасности, грязевика и фильтра очистки теплоносителя.


Принцип работы двухтрубной сети:
- Холодная вода через фильтр поступает в отопительный контур на всас сетевого насоса.
- Вода поступает в котел, нагревается до температуры установленной пользователем на рабочей панели.
- Нагретый теплоноситель поступает на подачу системы отопления.
- От подающего трубопровода идут ответвления к каждому прибору отопления.
- Охлажденная вода из радиатора по обратному ответвлению поступает в общую обратную магистраль и насосом подается в агрегат для следующего цикла нагрева
На приборе отопления устанавливаются воздухоотводчики и тепловой датчик, который регулируют теплоноситель в зависимости от установленной температуры.
Благодаря такой схеме радиаторы нагреваются равномерно и при необходимости могут быть полностью индивидуально отключены.
Однотрубная схема
Однотрубная схема с естественной циркуляцией доступная и экономичная схема обвязки предназначена для малогабаритных одноэтажных домов.


Схема состоит в следующем:
- Газовый котел устанавливается на стену в кухне.
- Подача от устройства поступает по одному трубопроводу, к которому подключены все радиаторы последовательно.
- Нагретый теплоноситель из аппарата поступает в подающую магистраль, которая имеет верхнюю разводку, а затем последовательно проходит по всем радиаторам отопления.
- Из последнего радиатора он поступает в обратную магистраль и затем в котел для нового цикла нагрева.
- Движение среды протекает под воздействием естественной циркуляции, возникающей при разности температур в подаче и обратке. Для эффективности движения трубопроводы подачи и обратки устанавливаются с уклоном. Воздушник устанавливается в самой верхней точке, обычно в чердачном помещении.
- В системе устанавливается расширительный бак для компенсации температурного расширения теплоносителя.
Недостаток такой схемы, в том, что первые по ходу теплоносителя батареи перегреваются, а последние недогреваются. Эффективность схемы можно повысить, если интегрировать в контур циркуляционный насос, что позволит увеличить площадь нагрева от 40 м2 до 150 м2.
Комбинированная схема системы газового отопления Бакси


Это наиболее прогрессивная схема обвязки котла, она имеет несколько независимых контуров отопления — радиаторный и систему «теплый пол».
Обычно радиаторы устанавливают в спальных комнатах и гостиной, а в остальных помещениях в кухне, ванной комнате и других подсобных помещениях устанавливают «теплый пол», который работает в более низких температурных режимах и может работать с обратным теплоносителем.
В этом варианте тем система будет более полно отбирать тепло у греющей сетевой воды. При этом, чем ниже будет температура в обратном трубопроводе, тем выше обеспечен КПД теплосетевой установки.
Ограничение температуры обратного теплоносителя устанавливается заводом изготовителя для конкретной модели агрегата, чтобы противодействовать процессу образования конденсата в дымовых газах. Для распределения теплоносителя по разным контурам потребуется установка котла Бакси с гидравлическим коллектором и отдельными насосами циркуляции на каждый контур.
Подключение котла к коммуникациям
Котлоагрегат Бакси размещается в нежилом помещении, например, на кухне, при условии надежной приточной вентиляции, обеспечивающей 3-х кратный часовой воздухообмен.


Подключение отопительного контура производится к патрубкам подачи/обратки, расположенные на задней панели устройства по принятой схеме обвязки.
Далее проводят обвязку дымоходной системы котла:
- Устанавливают дымовую трубу через переходник к дымовому патрубку котла.
- Дымовая труба и дымовой патрубок агрегата должны иметь одинаковые размеры, он указывается заводом изготовителем в технической документации.
- Дымовой канал выбирается таким образом, чтобы участок дымохода был максимально коротким.
- Вертикальный участок трубы от точки подключения до оголовка должен быть не менее 6 м и обеспечить тягу в топочной камере в диапазоне 0.8 мм — 3.0 мм водного столба.
- Тяга замеряется при работе аппарата.
- Дымоход обязан быть основательно прикреплен и не должен упираться на котлоагрегат.
- Места прохождения трубы через конструктивные элементы стены, потолок и кровлю должны быть хорошо теплоизолированы.


Далее выполняют подключение внутренних элементов к модулю управления котла Baxi:
- подключают к 6-клеммному разъему трансформатор для пьезорозжига и газовый прессостат;
- подключают к 9-клеммному разъему основной 2-х ступенчатый клапан;
- подключают к 3-клеммному разъему дополнительный 2-х ступенчатый клапан;
- подключают левый электрод кабеля розжига и правый электрод кабеля ионизации к пьезозапальнику;
- устанавливают первичные датчики по температуру и давлению в технические отверстия, указанные на схеме обвязке, предоставленной заводом-изготовителем.
Запуск и наладка
Перед тем как запустить котлоагрегат проверяют давление в расширительном баке, оно должно быть не менее 0.5 атм. Контролируют состояние кранов на подающей и обратной линии, они должны быть открытыми.
Агрегат должен быть отключен от электроэнергии. Затем заполняют систему отопления через подпиточный вентиль до 1.5 атм и приступают к спуску воздуха, если в сети установлен воздушник не автоматического типа.
При спуске воздуха давление будет падать, поэтому попеременно устройство подпитывают до указанного рабочего давления.
Далее потребуется спустить воздух из внутреннего контура в котле, для этого снимают рабочую панель аппарата, на насосе находится винт для спуска воздуха.
Запускают котел в минимальном режиме, и прогревают контур до температуры 50 С, отключают его кнопками, и от электросети и стравливают воздух на котловом насосе. Операцию повторяют несколько раз, пока весь воздух не будет удален из завоздушеной системы отопления.


Далее котел включается на рабочую температуру термостата и контролируется работа системы отопления на достаточность выставленной температуры.
Нюансы эксплуатации
Котел очень функциональный, после того как будет выставлен на рабочем табло температурный режим, устройство будет работать автоматически, практически без участия человека.
В процессе эксплуатации нужно обращать внимание на отсутствие шумов и вибрации, достаточность температуры в подающей магистрали, отсутствия загазованности в помещении и работу батарей отопления.
Котлы Бакси имеют отличную систему диагностики, которая сама установит причины неудовлетворительной работы котла и при необходимости остановит его. На табло для пользователя будет выведен код ошибки, чтобы он мог устранить неисправность.
Для котлов Baxi, которые находятся на гарантийном обслуживании, самостоятельное устранения выполняют только в случае видимых и легко устранимых причин.


Возможные сбои работы котлов Бакси:
- тухнет газовая горелка;
- не срабатывает пьезорозжиг;
- хлопки в топке;
- высокий/низкий температурный режим теплоносителя;
- высокое/низкое давление теплоносителя;
- высокое/низкое давление газа;
- шумная работа котла.
Засорение системы и чистка
Самый распространенный сбой в работе котла Бакси — резкий скачек температуры воды в отопительном контуре на выходе из устройства.


Причиной такого сбоя становится нарушение циркуляции воды в котле по следующим причинам:
- Забит фильтр на подаче воды в аппарат:
- утечка воды в контуре отопления;
- забиты радиаторы отопления;
- забиты накипью поверхность теплообменника газового котла в контуре отопления.
В последнем случае потребуется провести чистку теплообменника. Для этого сливают воду из котла, открывая дренажный вентиль на агрегате справа. Если возможно сливают воду из контура отопления.
Для чистки внутреннего теплообменника используют прибор «Жель». Вначале подсоединяют патрубки этого прибора к патрубкам Бакси. Снимают крышку на приборе, и заливают в него жидкость для чистки. Обычно ее состав указывает завод-изготовитель в заводской инструкции.
Включают «Жель» в электросеть на пару часов, переключая время от времени направление движения промывочной жидкости «вперед — назад». Далее отсоединяют прибор и восстанавливают схему теплоснабжения.
Такая очистка котлоагрегата удаляет все отложения с внутренней поверхности нагрева котла Baxi Main, тем самым предупреждая систему от поломки.
Требования к электропитанию
Котлы Бакси энергозависимые и могут работать только при наличии электроэнергии с напряжением 220В. Электронное оборудование агрегата практически не переносит скачков напряжения в сети, поэтому специалисты рекомендуют устанавливать перед котлом стабилизатор напряжения.
Кроме того для работы электрической части аппарата необходимая правильная синусоида тока и стабильная частота 50 Гц. Эту проблему сможет решить бесперебойный источник тока on-line класса.
Также потребуется установить УЗИП, защищающий котел от импульсных токов при включении рядом мощного электрического оборудования либо во время грозовых атмосферных воздействий.


Не менее важно для безопасности работы оборудования и обслуживания выполнить систему заземления двухконтурного котла с потенциалом между заземлением и нейтралью 0,5 В.
При неверном заземлении на заземляющей планке будет присутствовать постоянный потенциал, что приводит к сбоям во время розжига частым отключениям котла. Это станет причиной того, что воздух остывает в помещениях и в доме будет холодно.
Baxi, обвязка, Обзор